Services
联系方式Contact us

全国服务热线:15530796367
Q Q:583883685
邮 箱:1340821763@qq.com
联系人:张经理
网 址:kaimac.com
地 址:河北省沧州市泊头市
开发区
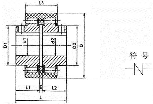
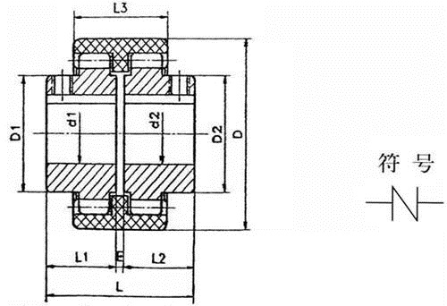
NL型尼龙内齿型联轴器图纸
品 牌:金沙澳门唯一官网
订货标记方法: 例如:NL4内齿弹性联轴器(键槽按GB3852-83标准) 主动轴:d1=38 L1=80 从动轴:d2=30 L21=50 表示为NL4:38···...
订购热线:155-30796-367

订货标记方法: 例如:NL4内齿弹性联轴器(键槽按GB3852-83标准) 主动轴:d1=38 L1=80 从动轴:d2=30 L21=50 表示为NL4:38×80/30×50(非标注明键槽尺寸)
| 型号 | 公称扭矩 Tn (N.M) | 许用转速n (r/min) | 主要尺寸 (mm) | 特大尺寸偏差 | 惯性扭矩 (KgC m 2 ) | 重量 (Kg ) | ||||||||
| 轴孔直径 d1 d2 | 轴孔 长度 L 1 L 2 | L | D | D1 D2 | E | L3 | 轴向(mm) | 径向(mm) | 角度α° | |||||
| NL1 | 40 | 6000 | 6 8 10 | 16 20 25 32 | 37 45 55 69 | 40 | 26 | 4 | 34 | 2 | ±0.3 | 1° | 0.25 | 0.85 |
| 12 14 | ||||||||||||||
| NL2 | 100 | 6000 | 10 12 14 22 | 25 32 42 52 | 57 71 91 111 | 42 | 36 | 4 | 40 | 2 | ±0.4 | 1° | 0.92 | 1.7 |
| 16 18 20 24 | ||||||||||||||
| NL3 | 160 | 6000 | 20 22 24 | 52 62 | 113 133 | 66 | 44 | 4 | 46 | 2 | ±0.4 | 1° | 3.10 | 2.6 |
| 25 28 | ||||||||||||||
| NL4 | 250 | 6000 | 28 30 32 | 62 82 | 129 169 | 83 | 58 | 4 | 48 | 2 | ±0.4 | 1° | 8.69 | 3.6 |
| 35 38 | ||||||||||||||
| NL5 | 315 | 5000 | 32 35 38 | 82 112 | 169 229 | 93 | 68 | 4 | 50 | 3 | ±0.4 | 2° | 14.28 | 5.5 |
| 40 42 | ||||||||||||||
| NL6 | 400 | 5000 | 40 42 45 | 82 112 | 230 | 100 | 68 | 4 | 52 | 3 | ±0.4 | 2° | 18.34 | 6.8 |
| 48 | ||||||||||||||
| NL7 | 630 | 3600 | 45 48 50 | 82 112 | 229 | 115 | 80 | 4 | 60 | 3 | ±0.6 | 2° | 56.5 | 9.8 |
| 55 | ||||||||||||||
| NL8 | 1250 | 3600 | 48 50 55 | 112 142 | 229 289 | 140 | 96 | 4 | 72 | 3 | ±0.6 | 2° | 98.55 | 26.5 |
| 60 63 65 | ||||||||||||||
| NL9 | 2000 | 2000 | 60 63 65 | 142 172 | 295 351 | 175 | 124 | 6 | 93 | 4 | ±0.7 | 2° | 370.5 | 37.6 |
| 70 71 75 80 | ||||||||||||||
| NL10 | 3150 | 1800 | 70 71 75 80 | 142 172 212 | 292 352 432 | 220 | 157 | 8 | 110 | 4 | ±0.7 | 2° | 1156.8 | 55 |
上一篇:YLD型刚性凸缘联轴器
下一篇:GL型滚子链联轴器规格图纸







